| Brief Description | |
|---|---|
|
File: \examples\Processing\Trigger\mE5-MA-VCL\Line\TrgBoxLine_mE5MAVCL.va |
![]() |
|
Default Platform: mE5-MA-VCL |
|
|
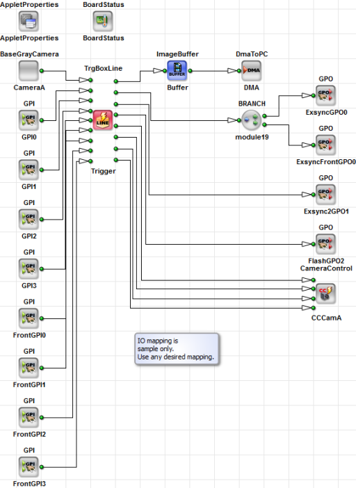
Short Description VisualApplets prototype operator TrgBoxLine can be used for microEnable 5 and microEnable IV platforms for line scan triggering. The operator includes multiple triggering features. The example demonstrates the usage of the operator in a VisualApplets design file. Note that in comparison to operator TrgPortLine the operator does not directly control the IOs. Therefore, it is required to connect to the IOs respectively. The operator is in prototype library and might be replaced in future releases. |
|


Prev

